

核心作用
在设备旋转部分(如旋转工作台、机械臂末端、自动化流水线转盘)与固定气源之间建立通道,确保压缩空气、惰性气体或真空在旋转运动中不中断传输,保障设备的气动驱动、气动夹具、真空吸附等功能正常运行。
产品优势
部分气滑环可设计为多通路结构,实现不同气体(如压缩空气+惰性气体)或气体与信号/电力的同步传输(如气动元件供电+气体控制信号),满足复杂设备的集成化需求。
针对气体介质易泄漏的特性,采用精密密封结构,确保在低压至中高压下的气体密封性,避免气源浪费和压力损失,保证气动系统稳定性。
低摩擦与低阻力,旋转时气流阻力小,不影响气体流量和压力,确保气动元件响应迅速。
产品规格
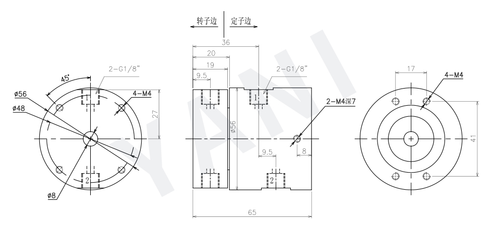
| 通道数 | 2进2出 | 介质 | 压缩空气 |
| 接头气管 | G1/8" | 工作温度 | -20°C~+60°C |
| 气压 | 0~ 1Mpa | 材料 | 铝合金 |
| 转速 | 0-300RPM(可定制) |

核心作用
在设备旋转部分(如旋转工作台、机械臂末端、自动化流水线转盘)与固定气源之间建立通道,确保压缩空气、惰性气体或真空在旋转运动中不中断传输,保障设备的气动驱动、气动夹具、真空吸附等功能正常运行。
产品优势
部分气滑环可设计为多通路结构,实现不同气体(如压缩空气+惰性气体)或气体与信号/电力的同步传输(如气动元件供电+气体控制信号),满足复杂设备的集成化需求。
针对气体介质易泄漏的特性,采用精密密封结构,确保在低压至中高压下的气体密封性,避免气源浪费和压力损失,保证气动系统稳定性。
低摩擦与低阻力,旋转时气流阻力小,不影响气体流量和压力,确保气动元件响应迅速。
产品规格
| 通道数 | 2进2出 | 介质 | 压缩空气 |
| 接头气管 | G1/8" | 工作温度 | -20°C~+60°C |
| 气压 | 0~ 1Mpa | 材料 | 铝合金 |
| 转速 | 0-300RPM(可定制) |

// ... existing code ...