

核心作用
实现旋转部件与固定部件之间气体的稳定传输,避免线路因旋转缠绕而损坏。解决传统线缆连接在旋转运动中“缠绕、拉扯、断裂”的问题,并通过中空结构优化设备空间布局,广泛应用于工业自动化、安防监控、医疗设备等领域。
产品优势
中间的通孔可用于穿过其他部件,如传动轴、管道、光纤等,节省设备空间,简化整体结构设计。常见于需要同时实现旋转传输和中心部件穿过的场景。
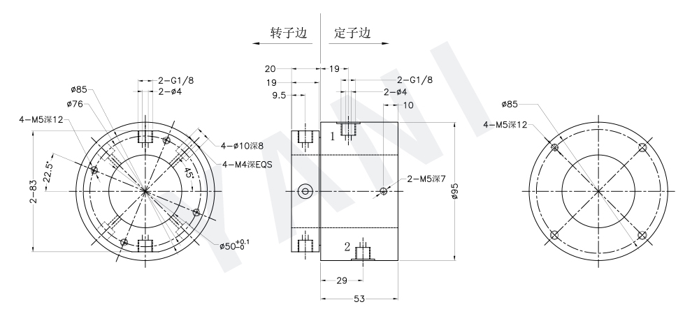
产品规格
| 通道数 | 2进2出 | 介质 | 压缩空气 |
| 接头气管 | G1/8" | 工作温度 | -30°C~+80°C |
| 气压 | 0~ 1Mpa | 材料 | 铝合金 |
| 转速 | 0-200RPM(可定制) |

核心作用
实现旋转部件与固定部件之间气体的稳定传输,避免线路因旋转缠绕而损坏。解决传统线缆连接在旋转运动中“缠绕、拉扯、断裂”的问题,并通过中空结构优化设备空间布局,广泛应用于工业自动化、安防监控、医疗设备等领域。
产品优势
中间的通孔可用于穿过其他部件,如传动轴、管道、光纤等,节省设备空间,简化整体结构设计。常见于需要同时实现旋转传输和中心部件穿过的场景。
产品规格
| 通道数 | 2进2出 | 介质 | 压缩空气 |
| 接头气管 | G1/8" | 工作温度 | -30°C~+80°C |
| 气压 | 0~ 1Mpa | 材料 | 铝合金 |
| 转速 | 0-200RPM(可定制) |

// ... existing code ...